Prime MS 30V9

D
  • Об’єм накопичення V
    29,8 l
  • Добове споживання електроенергії Qelec_ACC
    3,065 kWh
  • Річне споживання електроенергії (AEC)
    624 kWh
  • Вага нетто/брутто/з водою
    20/22/50 kg
Вертикальне встановлення на стіну
Електричні занурювальні нагрівачі

Технічні характеристики

Характеристики

Заявлений профіль навантаження
S
Клас енергоефективності
D
Клас енергоефективності ƞwh
30 %
Річне споживання електроенергії (AEC)
624 kWh
Добове споживання електроенергії Qelec_ACC
3,065 kWh
Налаштування температури термостата
"e" / "eco"
Значення інтелектуального
0
Об’єм накопичення V
29,8 l
Змішана вода при 40 °C V40
0

Ціль

Одна або кілька точок під’єднання
+
Вертикальне встановлення на стіну
+

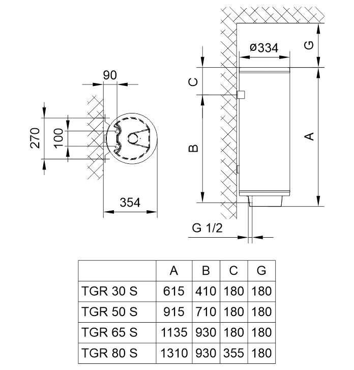
Розміри з’єднань

Висота
615 mm
Діаметр
334 mm
Глибина
354 mm
Середня товщина ізоляції
17 mm
Під’єднання до мережі
G1/2
Під’єднання для теплообмінника
G 3/4
Вага нетто/брутто/з водою
20/22/50 kg

Технічні характеристики

Робочий тиск
0,9 (9) MPa (bar)
Емальована сталь
+
Захисний магнієвий анод
+
Вибір температури до 65 °C
+
Контрольна лампа нагрівального елементу
+
Захист від замерзання
+
Термометр
+
Ступінь захисту
IP 23

Електричні з’єднання

Споживана потужність
2000 W
Напруга 230 В ~
+
Номінальний струм
8,7 A

Функціональні характеристики

Теплові втрати при 65 °C
1 kWh/24
Час нагрівання від 10 до 65 °C
0h 59min

Дані щодо транспортування

Розміри з’єднань [ШxГxВ]
383x423x680 mm

Документи