Econ MCR 120V9

C
  • Об’єм накопичення V
    112,9
  • Добове споживання електроенергії Qelec_ACC
    12,860 kWh
  • Річне споживання електроенергії (AEC)
    2750 kWh
  • Вага нетто/брутто/з водою
    62/66/182 kg
  • Сухий нагрівальний елемент
    +
Вертикальне встановлення на стіну
Трубчасті нагрівальні елементи непрямого нагріву «Сухий ТЕН

Технічні характеристики

Характеристики

Заявлений профіль навантаження
L
Клас енергоефективності
C
Клас енергоефективності ƞwh
37 %
Річне споживання електроенергії (AEC)
2750 kWh
Добове споживання електроенергії Qelec_ACC
12,860 kWh
Налаштування температури термостата
"eco"
Значення інтелектуального
0
Об’єм накопичення V
112,9
Змішана вода при 40 °C V40
164
Площа теплообмінника
0,9 m2

Ціль

Одна або кілька точок під’єднання
+/+
Вертикальне встановлення на стіну
+

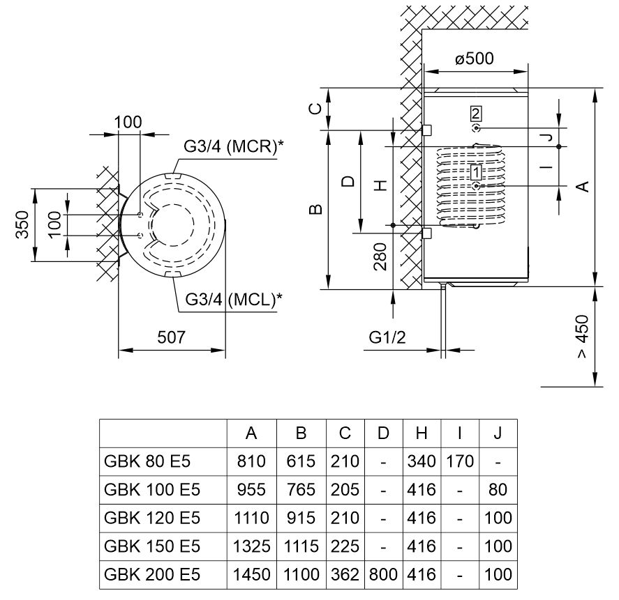
Розміри з’єднань

Середня товщина ізоляції
40 mm
Під’єднання до мережі
G 1/2
Ліве/праве під’єднання для теплообмінника
G 3/4
Вага нетто/брутто/з водою
62/66/182 kg

Технічні характеристики

Робочий тиск
0,9 (9) Mpa(bar)
Емальована сталь
+
Захисний магнієвий анод
+
Електронний блок керування
+
Клавіша увімк./вимк.
+
Регулювання діапазону температури до 75 °C
+
Світлодіодний термометр
+
Захист від перегрівання
+
Сухий протипожежний захист
+
Налаштування «запобігання замерзанню»
+
Індикація роботи нагрівального елемента
+
Індикація несправності термостата
+
Індикація перегрівання
+
Ступінь захисту
IP 24

Електричні з’єднання

Кількість ел. нагрівачів х потужність
2x1000 W
Споживана потужність
2000 W
Напруга 230 В ~
+
Номінальний струм
8,7 A
Сухий нагрівальний елемент
+

Функціональні характеристики

Теплові втрати при 65 °C
1,55 kWh/24
Час нагрівання від 10 до 65 °C
3h 55min

Дані щодо транспортування

Розміри з’єднань [ШxГxВ]
600x600x1205 mm

Документи